Как сделать чертеж по фотографии. Чертежи деталей и сборочный чертеж
Изделием называют любой предмет или набор предметов производства, подлежащих изготовлению на предприятии.
ГОСТ 2.101-88* устанавливает следующие виды изделия:
- Детали;
- Сборочные единицы;
- Комплексы;
- Комплекты.
При изучении курса «Инженерной графики» к рассмотрению предлагаются два вида изделий: детали и сборочные единицы.
Деталь – изделие, изготавливаемое из однородного по наименованию и марке материала, без применения сборочных операций.
Например: втулка, литой корпус, резиновая манжета (неармированная), отрезок кабеля или провода заданной длинны. К деталям относятся так же изделия, подвергнутые покрытиям (защитным или декоративным), или изготовленные с применением местной сварки, пайки, склейки сшивки. К примеру: корпус, покрытый эмалью; стальной винт, подвергнутый хромированию; коробка, склеенная из одного листа картона, и т.п.
Сборочная единица – изделие, состоящее из двух и более составных частей, соединённых между собой на предприятии-изготовителе сборочными операциями (свинчиванием, сваркой, пайкой, клёпкой, развальцовкой, склеиванием и т.д.).
Например: станок, редуктор, сварной корпус и т.д.
Комплексы — два и более специфицируемых изделия не соединенных на предприятии-изготовителе сборочными операциями, но предназначенных для выполнения взаимосвязанных эксплуатационных функций, например, автоматическая телефонная станция, зенитный комплекс и т.п.
Комплекты — два и более специфицированных изделия, не соединенных на предприятии-изготовителе сборочными операциями и представляющих набор изделий, имеющих общее эксплуатационное назначение вспомогательного характера, например, комплект запасных частей, комплект инструментов и принадлежностей, комплект измерительной аппаратуры и т.п.
Производство любого изделия начинается с разработки конструкторской документации. На основании технического задания проектная организация разрабатывает эскизный проект , содержащий необходимые чертежи будущего изделия, расчётно-пояснительную записку, проводит анализ новизны изделия с учётом технических возможностей предприятия и экономической целесообразности его осуществления.
Эскизный проект служит основанием для разработки рабочей конструкторской документации. Полный комплект конструкторской документации определяет состав изделия, его устройство, взаимодействие составных частей, конструкцию и материал всех входящих в него деталей и другие данные, необходимые для сборки, изготовления и контроля изделия в целом.
Сборочный чертёж – документ, содержащий изображение сборочной единицы и данные, необходимые для её сборки и контроля.
Чертёж общего вида – документ, определяющий конструкцию изделия, взаимодействие его составных частей и принцип работы изделия.
Спецификация – документ, определяющий состав сборочной единицы.
Чертёж общего вида имеет номер сборочной единицы и код СБ.
Например: код сборочной единицы (Рисунок 9.1) ТМ.0004ХХ.100 СБ тот же номер, но без кода, имеет спецификация (Рисунок 9.2) этой сборочной единицы. Каждое изделие, входящее в сборочную единицу, имеет свой номер позиции, указанный на чертеже общего вида. По номеру позиции на чертеже можно найти в спецификации наименование, обозначение данной детали, а также количество. Кроме того, в примечании может быть указан материал, из которого деталь изготовлена.
9.2. Последовательность выполнения чертежей деталей
Чертёж детали – это документ, содержащий изображение детали и другие данные, необходимые для её изготовления и контроля.
Перед выполнением чертежа необходимо выяснить назначение детали, конструктивные особенности, найти сопрягаемые поверхности. На учебном чертеже детали достаточно показать изображение, размеры и марку материала.
- Выбрать главное изображение (см. ).
- Установить количество изображений – видов, разрезов, сечений, выносных элементов, которые однозначно дают представление о форме и размерах детали, и дополняющих какой-либо информацией главное изображение, помня о том, что количество изображений на чертеже должно быть минимальным и достаточным.
- Выбрать масштаб изображений по ГОСТ 2.302-68. Для изображений на рабочих чертежах предпочтительным является масштаб 1:1. Масштаб на чертеже детали не всегда должен совпадать с масштабом сборочного чертежа. Крупные и не сложные детали можно вычерчивать в масштабе уменьшения (1:2; 1:2,5; 1:4; 1:5 и т.д.), мелкие элементы лучше изображать в масштабе увеличения (2:1; 2,5:1; 4:1; 5:1; 10:1; и т.д.).
- Выбрать формат чертежа. Формат выбирается в зависимости от размера детали, числа и масштаба изображений. Изображения и надписи должны занимать примерно 2/3 рабочего поля формата. Рабочее поле формата ограничено рамкой в строгом соответствии с ГОСТ 2.301-68* по оформлению чертежей. Основная надпись располагается в правом нижнем углу (на формате А4 основная надпись располагается только вдоль короткой стороны листа);
- Выполнить компоновку чертежа. Для рационального заполнения поля формата рекомендуется тонкими линиями наметить габаритные прямоугольники выбранных изображений, затем провести оси симметрии. Расстояния между изображениями и рамкой формата должно быть примерно одинаковым. Оно выбирается с учётом последующего нанесения выносных, размерных линий и соответствующих надписей.
- Вычертить деталь. Нанести выносные и размерные линии в соответствии с ГОСТ 2.307-68. Выполнив тонкими линиями чертёж детали, удалить лишние линии. Выбрав толщину основной линии, обвести изображения, соблюдая соотношения линий по ГОСТ 3.303-68. Обводка должна быть чёткой. После обводки выполнить необходимые надписи и проставить числовые значения размеров над размерными линиями (предпочтительно размером шрифта 5 по ГОСТ 2.304-68).
- Заполнить основную надпись. При этом указать: наименование детали (сборочной единицы), материал детали, её код и номер, кем и когда был выполнен чертёж и т.д. (Рисунок 9.1)
Ребра жесткости, спицы при продольных разрезах показывают не заштрихованными.
Рисунок 9.1 – Рабочий чертеж детали «Корпус»
9.3. Нанесение размеров
Простановка размеров является наиболее ответственной частью работы над чертежом, так как неправильно проставленные и лишние размеры приводят к браку, а недостаток размеров вызывает задержки производства. Ниже предложены некоторые рекомендации по нанесению размеров при выполнении чертежей деталей.
Размеры детали замеряют с помощью измерителя на чертеже общего вида сборочной единицы с учётом масштаба чертежа (с точностью 0,5мм). При замере наибольшего диаметра резьбы необходимо округлить его до ближайшего стандартного, взятого по справочнику. Например, если диаметр метрической резьбы по замеру d=5,5мм, то необходимо принять резьбу М6 (ГОСТ 8878-75).
9.3.1. Классификация размеров
Все размеры разделяются на две группы: основные (сопряжённые) и свободные.
Основные размеры входят в размерные цепи и определяют относительное положение детали в узле, они должны обеспечивать:
- расположение детали в узле;
- точность взаимодействия собранных деталей;
- сборку и разборку изделия;
- взаимозаменяемость деталей.
Примером могут служить размеры охватывающих и охватываемых элементов сопряжённых деталей (Рисунок 9.2). Общие соприкасающиеся поверхности двух деталей имеют одинаковый номинальный размер.
Свободные размеры в размерные цепи детали не входят. Эти размеры определяют такие поверхности детали, которые не соединяются с поверхностями других деталей, и поэтому их выполняют с меньшей точностью (Рисунок 9.2).

А – охватывающая поверхность; Б – охватываемая поверхность;
В — свободная поверхность; d – номинальный размер
Рисунок 9.2
9.3.2. Методы простановки размеров
Применяются следующие методы простановки размеров:
- цепной;
- координатный;
- комбинированный.
При цепном методе (Рисунок 9.3) размеры проставляются последовательно один за другим. При такой простановке размеров каждая ступень валика обрабатывается самостоятельно, и технологическая база имеет своё положение. При этом на точность выполнения размера каждого элемента детали не влияют ошибки выполнения предыдущих размеров. Однако, ошибка суммарного размера состоит из суммы ошибок всех размеров. Нанесение размеров в виде замкнутой цепи не допускается, за исключением случаев, когда один из размеров цепи указан как справочный. Справочные размеры на чертеже отмечаются знаком * и записываются на поле: «* Размеры для справок » (Рисунок 9.4).

Рисунок 9.3

Рисунок 9.4
При координатном методе размеры проставляются от выбранных баз (Рисунок 9.5). При этом методе нет суммирования размеров и ошибок в расположении любого элемента относительно одной базы, что является его преимуществом.

Рисунок 9.5
Комбинированный метод простановки размеров представляет собой сочетание цепного и координатного методов (Рисунок 9.6). Он применяется, когда необходима высокая точность при изготовлении отдельных элементов детали.

Рисунок 9.6
По своему назначению размеры подразделяются на габаритные, присоединительные, установочные и конструктивные.
Габаритные размеры определяют предельные внешние (или внутренние) очертания изделия. Они не всегда наносятся, но их часто указывают для справок, особенно для крупных литейных деталей. Габаритный размер не наносится на болтах и шпильках.
Присоединительные и установочные размеры определяют величины элементов, по которым данное изделие устанавливают на место монтажа или присоединяют к другому. К таким размерам относятся: высота центра подшипника от плоскости основания; расстояние между центрами отверстий; диаметр окружности центров (Рисунок 9.7).
Группа размеров, определяющих геометрию отдельных элементов детали предназначенных для выполнения какой-либо функции, и группа размеров на элементы детали, такие как фаски, проточки (наличие которых вызвано технологией обработки или сборки), выполняются с различной точностью, поэтому их размеры не включают в одну размерную цепь (Рисунок 9.8, а, б).

Рисунок 9.7
Рисунок 9.8, а
Рисунок 9.8, б
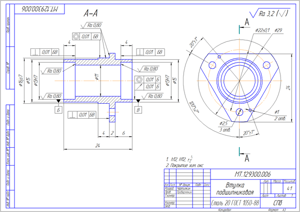
9.4. Выполнение чертежа детали, имеющей форму тела вращения
Детали, имеющие форму тела вращения, в подавляющем большинстве (50-55% из числа оригинальных деталей) встречаются в машиностроении, т.к. вращательное движение – самый распространённый вид движения элементов существующих механизмов. Кроме того, такие детали технологичны. К ним относятся валы, втулки, диски и т.п. обработка таких деталей производится на токарных станках, где ось вращения расположена горизонтально.
Поэтому детали, имеющие форму тела вращения, располагают на чертежах так, чтобы ось вращения была параллельна основной надпись чертежа (штампу). Торец детали, принятый за технологическую базу для обработки, желательно располагать справа, т.е. так, как он будет расположен при обработке на станке. На рабочем чертеже втулки (Рисунок 9.9) показано выполнение детали, являющейся поверхностью вращения. Наружные и внутренние поверхности детали ограничены поверхностями вращения и плоскостями. Другим примером может быть деталь «Вал» (Рисунок 9.10), ограниченная соосными поверхностями вращения. Осевая линия параллельна основной надписи. Размеры проставлены комбинированным способом.

Рисунок 9.9 — Рабочий чертеж детали поверхности вращения

Рисунок 9.10 — Рабочий чертеж детали «Вал»
9.5. Выполнение чертежа детали изготовленной из листа
К этому виду деталей относятся прокладки, крышки, планки, клинья, плиты и т.д. Детали такой форму обрабатываются различными способами (штамповка, фрезеровка, строгание, резка ножницами). Плоские детали, изготовленные из листового материала, изображают, как правило, в одной проекции, определяющей контур детали (Рисунок 9.11). Толщина материала указывается в основной надписи, но рекомендуется указывать её повторно на изображении детали, на чертеже — s3 . Если деталь гнутая, то часто на чертеже показывают развертку.

Рисунок 9.11 — Чертеж плоской детали
9.6. Выполнение чертежа детали, изготовленной литьем, с последующей механической обработкой
Формообразование литьем позволяет получить достаточно сложную форму детали, практически без потерь материала. Но после литья поверхность получается достаточно грубая, поэтому, рабочие поверхности требуют дополнительной механической обработки.
Таким образом получаем две группы поверхностей — литейные (черные) и обработанные после литья (чистые).
Процесс литья: в литейную форму заливается расплавленный материал, после остывания заготовка вынимается из формы, для чего, большинство поверхностей заготовки имеют литейные уклоны, а сопряжения поверхностей — литейные радиусы скруглений.
Литейные уклоны можно не изображать, а литейные радиусы должны быть изображены обязательно. Размеры литейных радиусов скруглений указывают в технических требованиях чертежа записью, например: Неуказанные литейные радиусы 1,5 мм.
Основная особенность нанесения размеров: так как есть две группы поверхностей, то есть и две группы размеров, одна связывает все черные поверхности, другая — все чистые, и по каждому координатному направлению допускается проставлять только один размер, связывающий между собой эти две группы размеров.
На рисунке 9.12 такими размерами являются: на главном изображении — размер высоты крышки — 70, на виде сверху — размер 10 (от нижнего торца детали) (выделены синим цветом).
При литье применяют литейный материал (буква Л в обозначении), обладающий повышенной текучестью, например:
- стали по ГОСТ 977-88 (Сталь 15Л ГОСТ 977-88)
- серые чугуны по ГОСТ 1412-85 (СЧ 15 ГОСТ 1412-85)
- литейные латуни по ГОСТ 17711-93 (ЛЦ40Мц1,5 ГОСТ 17711-93)
- алюминиевые сплавы по ГОСТ 2685-75 (АЛ2 ГОСТ 2685-75)

Рисунок 9.12 — Чертеж литейной детали
9.7. Выполнение чертежа пружины
Пружины применяются для создания определённых усилий в заданном направлении. По виду нагружения пружины подразделяются на пружины сжатия, растяжений, кручения и изгиба; по форме – на винтовые цилиндрические и конические, спиральные, листовые, тарельчатые и пр. правила выполнения чертежей различных пружин устанавливает ГОСТ 2.401-68. На чертежах пружины вычерчивают условно. Витки винтовой цилиндрической или конической пружины изображают прямыми линиями, касательными к участкам контура. Допускается в разрезе изображать только сечения витков. Пружины изображают с правой навивкой с указанием в технических требованиях истинного направления витков. Пример выполнения учебного чертежа пружины приведён на Рисунке 9.13.
Чтобы получить на пружине плоские опорные поверхности крайние витки пружины поджимают на ¾ витка или на целый виток и шлифуют. Поджатые витки не считаются рабочими, поэтому полное число витков n равно числу рабочих витков плюс 1,5÷2:n 1 =n+(1.5÷2) (Рисунок 9.14).
Построение начинают с проведения осевых линия, проходящих через центры сечений витков пружины (Рисунок 9.15, а). Затем на левой стороне осевой линии проводят окружность, диаметр которой равен диаметру проволоки, из которой изготовлена пружины. Окружность касается горизонтальной прямой, на которую опирается пружина. Затем необходимо провести полуокружность из центра, расположенного в пересечении правой оси с той же горизонтальной прямой. Для построения каждого последующего витка пружины слева на расстоянии шага строят сечения витков. Справа каждое сечение витка будет располагаться напротив середины расстояния между витками, построенными слева. Проводя касательные к окружностям, получают изображение пружины в разрезе, т.е. изображение витков, лежащих за плоскостью, проходящей через ось пружины. Для изображения передних половин витков так же проводят касательные к окружностям, но с подъёмом вправо (Рисунок 9.15, б). Переднюю четверть опорного витка строят так, чтобы касательная к полуокружности касалась одновременно и левой окружности в нижней части. Если диаметр проволоки 2мм и менее, то пружину изображают линиями толщиной 0,5÷1,4мм. При вычерчивании винтовых пружин с числом витков более четырёх показывают с каждого конца один-два витка, кроме опорных проводя осевые линии через центры сечений витков по всей длине. На рабочих чертежах винтовые пружины изображают так, чтобы ось имела горизонтальное положение.
Как правило, не рабочем чертеже помещают диаграмму испытаний, показывающую зависимость деформаций (растяжения, сжатия) от нагрузки (Р 1 ; Р 2 ; Р 3), где Н 1 – высота пружины при предварительной деформации Р 1 ; Н 2 – то же, при рабочей деформации Р 2 ; Н 3 – высота пружины при максимальной деформации Р 3 ; Н 0 – высота пружины в рабочем состоянии. Кроме того, под изображением пружины указывают:
- Номер стандарта на пружину;
- Направление навивки;
- n – число рабочих витков;
- Полное число витков n;
- Длину развёрнутой пружины L=3,2×D 0 ×n 1 ;
- Размеры для справок;
- Другие технические требования.

Рисунок 9.13 – Рабочий чертеж пружины
|  | |
| а | б | 
Рисунок 9.14. Изображения поджатых витков пружины

Рисунок 9.15. Последовательность построения изображения пружины
9.8. Выполнение чертежа зубчатого колеса
Зубчатое колесо — важнейшая составная часть многих конструкций приборов и механизмов, предназначенных для передачи или преобразования движения.
Основные элементы зубчатого колеса: ступица, диск, зубчатый венец (рисунок 9.16).

Рисунок 9.16 — Элементы зубчатого колеса
Профили зубьев нормализованы соответствующими стандартами.
Основными параметрами зубчатого колеса являются (рисунок 9.17):
m=P t / π [мм ] – модуль;
d a = m ст (Z +2) – диаметр окружности вершин зубьев;
d = m ст Z – делительный диаметр;
d f = m ст (Z – 2.5) – диаметр окружности впадин;
S t = 0.5 m ст π – ширина зуба;
h a – высота головки зуба;
h f – высота ножки зуба;
h = h a +h f – высота зуба;
P t – делительный окружной шаг.

Рисунок 9.17 — Параметры зубчатого колеса
Основная характеристика зубчатого венца — модуль — коэффициент, связывающий окружной шаг с числом π. Модуль стандартизован (ГОСТ 9563-80).
m = P t / π [мм]
| 0,25 | (0,7) | (1,75) | 3 | (5,5) | 10 | (18) | 32 | 
| 0,3 | 0,8; (0,9) | 2 | (3,5) | 6 | (11) | 20 | (36) | 
| 0,4 | 1; (1,125) | (2,25) | 4 | (7) | 12 | (22) | 40 | 
| 0,5 | 1,25 | 2,5 | (4,5) | 8 | (14) | 25 | (45) | 
| 0,6 | 1,5 | (2,75) | 5 | (9) | 16 | (28) | 50 | 
На учебных чертежах зубчатых колес:
Высота головки зуба – h a = m;
Высота ножки зуба – h f = 1,25m;
Шероховатость рабочих поверхностей зуба – Ra 0.8 [мкм];
Справа вверху листа выполняют таблицу параметров, размеры которой приведены на рисунке 9.18, часто заполняют только значение модуля, число зубьев и делительный диаметр.

Рисунок 9.18 — Таблица параметров
Зубья колеса изображают условно, согласно ГОСТ 2.402-68 (Рисунок 9.19). Штрихпунктирная линия — делительная окружность колеса.
В разрезе зуб показывают нерассеченным.
|  | ||
| а | б | в | 
Рисунок 9.19 — Изображение зубчатого колеса а — в разрезе, б — на виде спереди и в — на виде слева
Шероховатость на боковую рабочую поверхность зуба на чертеже проставляют на делительной окружности.
Пример выполнения чертежа зубчатого колеса приведен на рисунке 9.20.

Рисунок 9.20 — Пример выполнения учебного чертежа зубчатого колеса
9.9. Последовательность чтения чертежа общего вида
- По данным, содержащимся в основной надписи, и описанию работы изделия выяснить наименование, назначение и принцип работы сборочной единицы.
- По спецификации определить, из каких сборочных единиц, оригинальных и стандартных изделий состоит предложенное изделие. Найти на чертеже то количество деталей, которое указано в спецификации.
- По чертежу представить геометрическую форму, взаимное расположение деталей, способы их соединения и возможность относительного перемещения, то есть, как работает изделие. Для этого необходимо рассмотреть на чертеже общего вида сборочной единицы все изображения данной детали: дополнительные виды, разрезы, сечения, и выносные элементы.
- Определить последовательность сборки и разборки изделия.
При чтении чертежа общего вида необходимо учитывать некоторые упрощения и условные изображения на чертежах, допускаемые ГОСТ 2.109-73 и ГОСТ 2.305-68*:
На чертеже общего вида допускается не показывать:
- фаски, скругления, проточки, углубления, выступы и другие мелкие элементы (Рисунок 9.21);
- зазоры между стержнем и отверстием (Рисунок 9.21);
- крышки, щиты, кожухи, перегородки и т.д. при этом над изображением делают соответствующую надпись, например: «Крышка поз.3 не показана»;
- надписи на табличках, шкалах и т.д. изображают только контуры этих деталей;
- на разрезе сборочной единицы разные металлические детали имеют противоположные направления штриховки, либо разную плотность штриховки (Рисунок 9.21). Необходимо помнить, что для одной и той же детали плотность и направление всех штриховок одинаковы на всех проекциях;
- на разрезах показывают не рассечёнными:
- составные части изделия, на которые оформлены самостоятельные сборочные чертежи;
- такие детали как оси, валы, пальцы, болты, винты, шпильки, заклёпки, рукоятки, а также шарики, шпонки, шайбы, гайки (Рисунок 9.21);
 
- сварное, паяное, клееное изделие из однородного материала в сборе с другими изделиями на разрезе имеет штриховку в одну сторону, при этом границы между деталями изделия показаны сплошными линиями;
- допускается равномерно расположенные одинаковые элементы (болты, винты, отверстия) показывать не все, достаточно одного;
- если ни одно отверстие, соединение не попадает в секущую плоскость, то допускается его «доворачивать», чтобы оно попало в изображение разреза.
На сборочных чертежах проставляют справочные, установочные, исполнительные размеры. Исполнительные это размеры на те элементы, которые появляются в процессе сборки (например, штифтовые отверстия).

Рисунок 9.21 – Сборочный чертеж

Рисунок 9.22 – Спецификация
9.10. Правила заполнения спецификации
В спецификацию для учебных сборочных чертежей, как правило, входят следующие разделы:
- Документация;
- Комплексы;
- Сборочные единицы;
- Детали;
- Стандартные изделия;
- Прочие изделия;
- Материалы;
- Комплекты.
Название каждого раздела указывается в графе «Наименование», подчеркивается тонкой линией и выделяется пустыми строчками.
- В раздел » Документация» вносят конструкторские документы на сборочную единицу. В этот раздел в учебных чертежах вписывают «Сборочный чертеж».
- В разделы «Сборочные единицы» и «Детали» вносят те составные части сборочной единицы, которые непосредственно входят в нее. В каждом из этих разделов составные части записывают по их наименованию.
- В раздел «Стандартные изделия» записывают изделия, применяемые по государственным, отраслевым или республиканским стандартам. В пределах каждой категории стандартов запись производят по однородным группам, в пределах каждой группы — в алфавитном порядке наименований изделий, в пределах каждого наименования — в порядке возрастания обозначений стандартов, а в пределах каждого обозначения стандартов — в порядке возрастания основных параметров или размеров изделия.
- В раздел «Материалы» вносят все материалы, непосредственно входящие в сборочную единицу. Материалы записывают по видам и в последовательности, указанным в ГОСТ 2.108 — 68. В пределах каждого вида материалы записывают в алфавитном порядке наименований материалов, а в пределе каждого наименования — по возрастанию размеров и других параметров.
В графе «Количество» указывают количество составных частей на одно специфицируемое изделие, а в разделе «Материалы» — общее количество материалов на одно специфицируемое изделие с указанием единиц измерения — (например, 0,2 кг). Единицы измерения допускается записывать в графе «Примечание».
Как создать спецификацию в программе КОМПАС-3D, рассказано в соответствующей данной теме
 !
Поскольку одежда не прилегает к телу по всей его поверхности, для построения конструкции изделия кроме мерок необходимы прибавки на свободное облегание и декоративное оформление. Величина припуска на свободу облегания учитывает вид изделия, воздушную прослойку, обеспечивающую свободу движения, толщину ткани, а декоративно-конструктивные прибавки, создающие определенный силуэт изделия, зависят не только от вида изделия, но и от модели.
Прибавки обозначают прописной буквой П, строчными буквами (нижний индекс) - участок, к которому дается прибавка. Величина прибавок в нашем случае составляет:
- к полуобхвату груди - П г = 6-8 см;
- к обхвату плеча - П оп = 5-7 см;
- к ширине горловины - П шг =1,0 см.
Построение основы чертежа
Основу построения чертежа любого плечевого изделия составляет построение контурных линий деталей изделия: спинки, переда, рукава. Чертеж строят на базисной сетке, представляющей собой вертикальные и горизонтальные линии, определяющие общий размер изделия по ширине и длине.
В связи с тем что фигура человека симметричная, чертеж строят на половину ширины изделия.
Контур чертежа спинки составляет следующие конструктивные линии: линия горловины спинки, линия плеча, линия бока, линия низа (рис. 58). В конструкции плечевого изделия с цельнокроеным рукавом чертеж переда отличается от чертежа спинки только более глубоким вырезом горловины, поэтому перед и спинку строят одновременно на одной и той же базисной сетке (табл. 11).
Рис. 58. Конструктивные линии чертежа основы плечевого изделия
Таблица 11. Построение чертежа основы плечевого изделия с цельнокроеным рукавом
| Последовательность построения чертежа и расчет | Графическое изображение | 
| 1. В верхней части листа поставить точку В и провести вправо от нее горизонтальную линию. Это будет линия плеча. Из той же точки В провести вниз вертикальную линию и отложить на ней отрезок ВН, равный длине изделия Д и: ВН = Д и = 80 см | |
| 2. От точки В вправо по линии плеча отложить ширину изделия ВВ 1 , рассчитанную по формуле: ВВ 1 = (С г Н + П г) : 2 = (47,6 + 6) : 2 = 26,8 см | |
| 3. Достроить чертеж до прямоугольника по двум сторонам ВН и ВВ 1 . Поставить точку Н 1 | |
| 4. Отложить вправо от точки В по линии плеча ширину горловины ВВ 2 , рассчитанную по формуле: BB 2 = (С ш: 3) + 1 = (18,1: 3) + 1,0 = 7,0 см. Отложить вниз от точки В глубину горловины спинки ВВ 3: BB 3 = ВВ 2: 3 = 7,0: 3 = 2,3 см. Соединить плавной кривой точки В 2 и В 3 | 
 | 
| 5. Отложить вниз от точки В глубину горловины переда ВВ 4: ВВ 4 = ВВ 2 + 1,0 = 7,0 + 1 = 8,0 см. Соединить плавной кривой точки В 2 и B 4 В точках В 2 и В 3 линия горловины должна составлять прямой угол с линией плеча и линией середины спинки | |
| 6. Отложить вниз от точки B 1 глубину проймы B 1 Г, рассчитанную по формуле: В 1 Г = (О п: 2) + П оп = (28,5: 2) + 7,0 = 21,3 см. От точки Г вправо провести горизонтальную линию | 
 | 
| 7. Отложить вправо от точки B 1 длину рукава В 1 В 5 , которая обычно составляет 5-7 см. В 1 В 5 = 6 см. Достроить прямоугольник по двум сторонам - В 1 Г и В 1 В 5 . Обозначить точку Г 1 . В 5 Г 1 - лиия низа рукава | 
 | 
| 8. Отложить вниз от точки Г отрезок ГГ 2 . ГГ 2 = ГГ 1 = 6 см. Соединить прямой линией точки Г 1 и Г 2 | 
 | 
| 9. Для построения криволинейного участка линии бока необходимо выполнить дополнительные построения. В середине отрезка Г 1 Г 2 поставить точку Г 3 . Из этой точки провести перпендикуляр и отложить на нем величину прогиба, равную 1-1,5 см (точка Г 4). Соединить точки Г 1 , Г 4 и Г 2 плавной кривой | 
 | 
| 10. Для расширения низа изделия продлить вправо линию низа и отложить на ней отрезок Н 1 Н 2 , который обычно равен 8-12 см. Соединить прямой линией точки Н 2 и Г 2 | 
 | 
| 11. От точки Н 2 вверх по линии Н 2 Г 2 отложить 1,5 см и поставить точку Н 3 , а на середине отрезка Н 3 Н - точку Н 4 . Соединить точки Н 4 и Н 3 плавной кривой | 
 | 
| 12. Отложить от точки В 3 вниз длину спины до талии - отрезок ВТ: В 3 Т = Д тс = 38,8 см. От точки Т провести горизонтальную линию талии и отметить на ней в местах пересечения с вертикальными линиями точки T 1 и Т 2 | 
 | 
| 13. От точки Т 2 вверх по линии Т 2 Г 2 отложить 1,5 см и поставить точку Т 3 , а на середине отрезка TT 1 - точку Т 4 . Соединить точки Т 4 и Т 3 плавной кривой | 
 | 
| 14. Обвести контур чертежа основной сплошной линией. На этом построение чертежа основы плечевого изделия с цельнокроеным рукавом закончено | 
Практическая работа № 15
Построение чертежа основы плечевого изделия с цельнокроеным рукавом
Инструменты и материалы: рабочая коробка, линейка, угольник, лекало, карандаш ТМ-2М, ластик, миллиметровая бумага.
- Постройте основу чертежа плечевого изделия с цельнокроеным рукавом в масштабе 1:1, пользуясь таблицей 12.
- Найдите на чертежах переда и спинки линии плеча, талии, низа изделия, бока, середины переда, середины спинки, низа рукава и подпишите их.
Новые понятия
Припуски (прибавки) на свободное облегание, конструктивные линии.
Контрольные вопросы
1. Из каких деталей состоит чертеж плечевого изделия с цельнокроеным рукавом? 2. Чем отличается чертеж спинки от чертежа переда? 3. От каких мерок зависит размер базисной сетки чертежа?
В большинстве случаев, в проектных работах (таких, как диплом или курсовая) требуется наличие чертежа.
Чертеж нужен для того, чтобы схематически показать аудитории в иллюстрации то, о чем Вы им пытаетесь донести в своем исследование.
Пошаговая инструкция к построению чертежа вручную по требованиям ГОСТа.
- Определяем объект черчения.
- Выбираем формат листа согласно ГОСТу.
- Выбираем нужное количество проекций для Вашей работы.
- Выполняем построение объекта на выбранном формате с соблюдением типов основных линий согласно ГОСТ 2.303-68.
- Выполняем нужные сечения и разрывы для отображения отдельных частей элемента.
- Указываем необходимые размеры согласно ГОСТ 2.307-68.
- Делаем надписи на чертеже согласно ГОСТ 2.304-68.
Как сделать чертеж на компьютере (общие сведения).
Для того, чтобы сделать чертеж на компьютере, Вам нужно определиться в какой программе это будет удобнее всего сделать. Для этого можно качать пробные версии или сразу установить на свой компьютер нужную. Очень часто, преподаватели или кафедра сами предлагают более подходящий для Вас вариант.
После того, как Вы определились с программой, откройте ее и создайте новый чертеж. Затем выберете формат чертежа и приступайте к самому черчению.
Во всех программах существует панель инструментов, где Вы сможете найти нужные для Вас параметры: точки, окружности и линии. С помощью них и задается основная геометрия. Так же, стоит воспользоваться усложненными дополнениями, если это требуется в Вашей работе: обрезка, масштабирование, зеркальное отражение.
После построения геометрии, налаживаются размеры и выставляются на чертеже.
Сделанные данные сохраняются, чертежи распечатываются.
В каких программах лучше всего делать чертежи?
- Компас (российская программа, система автоматизированного проектирования с возможностями оформления проектной и конструкторской документации согласно стандартам серии ЕСКД и СПДС);
- AutoCAD (самая знаменитая программа, которую используют инженеры в различных отрослях);
- Layout (очень удобна в использование для тех, кому нужна миллиметровая разбивка).
Вышеперечисленные программы считаются самыми удобными и простыми для начинающих черчежников. Элементарные чертежи можно построить и в Microsoft Word, но там Вы не сможете сделать даже элементарные усложнения.
Важные подсказки для чертежей на компьютере.
Один из самых острых вопросов, возникающих при черчение в компьютере - это размер масштаба. Многие рекомендуют рисовать 1:1, так как это наиболее упрощенный вариант и удобнее проставлять цифровые данные.
Точность отрисовки лучше всего делать в программе AutoCAD, в ней можно поставить размер с округлением или даже свое значение.
Шрифт лучше всего проставлять Shx, это будет более правильно с точки зрения ГОСТа.
Все листы с чертежами должны иметь рамки: отступ от левого края - 20 миллиметров, от всех остальных - 5 миллиметров.
В правом нижнем углу обязательно должен быть размещен штамп.
Мы с Вами рассмотрели основные правила по оформлению чертежей. Для более глубокого изучения данного вопроса стоит обратиться к видео-урокам, которые содержат сейчас многие интернет-ресурсы, где Вам пошагово объяснят весь процесс построения чертежей, как в компьютерном варианте, так и в вручном.
У многих пользователей может возникнуть необходимость чертить онлайн. Это может какой-либо эскиз, схема, план или техническая иллюстрация, которые необходимо создать на ПК с помощью соответствующего инструментария. При этом на компьютере может не оказаться необходимых для этого программ, что побудит пользователя искать в сети онлайн ресурсы, способных помочь в создании нужного пользователю проекта. В данном материале я расскажу, как сделать чертёж онлайн, и какие сервисы нам в этом помогут.
Перейдём к непосредственному описанию сетевых сервисов онлайн. Замечу, что указанные сервисы для создания чертежей обладают довольно сжатым по сравнению с профессиональными программами функционалом, чего, впрочем, может быть достаточно для решения множества базовых задач.
Онлайн-редактор GLIFFY
Данный визуальный редактор GLIFFY обладает довольно широким инструментарием для создания чертежей и схематических изображений, включая множество шаблонов и схем для архитектурных проектов, блок-схем, сетевых диаграмм и других соответствующих целей.
Для работы с данным редактором перейдите на сайт cameralabs.org , при необходимости авторизуйтесь (доступна также авторизация через социальную сеть). После этого вам станет доступен экран редактирования, где вы сможете создать ваш чертёж.
 Рабочий экран редактора «GLIFFY»
 Рабочий экран редактора «GLIFFY»
Слева расположены вкладки различных шаблонов (вы можете раскрыть вкладку, кликнув на ней), сверху – панель инструментов, а справа будет размещаться непосредственное поле для создания чертежа.

Для сохранения вашей работы нужно будет нажать вверху на «File» — «Сохранить» (или «Экспорт»).
Сервис draw.io
Англоязычный сервис draw.io поможет создать чертёж в режиме онлайн, начертав различные графики, схемы и диаграммы.
Для работы с данным сервисом перейдите на сайт draw.io. Ресурс спросит, куда сохранять созданные вами работы (выберите «Device» для сохранения на жёсткий диск).
Нажмите на «Create New Diagram» (создание новой диаграммы), выберите её имя, а также соответствующий шаблон для создания слева.
 Нажмите на «Create New Diagram» для создания нового чертежа
 Нажмите на «Create New Diagram» для создания нового чертежа
Выберите пустую начальную диаграмму (Blanc Diagramm) или какой-либо из уже имеющихся шаблонов диаграмм (charts), инженерных схем (Engineering), блок-схем (Flowcharts), разметки (layout), карт (maps) и других видов шаблонов
После того, как вы выбрали шаблон, нажмите на «Create» (Создать).
 Левая и центральная часть экрана редактирования сервиса «draw.io»
 Левая и центральная часть экрана редактирования сервиса «draw.io»
Для сохранения созданного чертежа нажмите на «File» — «Save as».
Сервис drawisland.com
Сервис drawisland.com – простой англоязычный сервис для черчения в Интернете. После перехода на него вас ждёт экран для создания чертежа с довольно ограниченным набором инструментов. Слева расположена панель инструментов, сверху вы можете выбрать размеры рисунка и повернуть его на 90 или 180 градусов, а справа доступ выбор диаметр инструмента для рисования, а также переключаться между слоями.
 Рабочее окно «drawisland.com»
 Рабочее окно «drawisland.com»
Для сохранения созданного вами рисунка на диск нажмите на кнопку «Save» слева.
Сервис knin.com.ua
Данный сервис предназначен для создания технического плана строительного объекта, который можно будет позже сохранить к себе на ПК. Как и большинство аналогичных сервисов, данный сервис обладает набором встроенных графических шаблонов, делающих процесс создания технического плана помещения практичным и удобным, позволяя легко нарисовать чертёж онлайн.
- Для начала работы с данным сервисом перейдите на сайт knin.com.ua .
- Укажите справа сверху размеры помещения, а затем нажмите на кнопку «Создать».
- Если будет необходимо добавить ещё помещение, тогда вновь укажите его размеры и нажмите на «Создать».
- После того, как все нужные помещения будут созданы, нажмите на «Продолжить».
- После этого вам справа станут доступны различные графические объекты – окна, стены, предметы интерьера и так далее, которые вы сможете помещать на ваш объект.
- Далее, как план объекта будет создан, вы сможете сохранить его на диск, нажав на кнопку «Сохранить» внизу.
 Рабочее окно сервиса «knin.com.ua»
 Рабочее окно сервиса «knin.com.ua»
Сервис sketch.io
«Sketch.io» — ещё один простой англоязычный ресурс для построения простых чертежей, создания графических набросков и зарисовок. Функционал сервиса довольно прост, и подойдёт, в первую очередь новичкам в деле создания чертежей.
- Для работы с сервисом перейдите на сайт sketch.io .
- Справа размещена панель инструментов, с помощью которой можно выполнять все необходимые операции.
- После того, как рисунок будет создан, нажмите на кнопку «Export» (дискетка сверху), затем на «Save» — «Download».

Программы для черчения
Также при описании онлайн сервисов для создания эскиза проекта, нельзя обойти стороной и ряд популярных программ, созданных специально для таких целей. При этом большинство из них обладает платным характером, так как для решения профессиональных задач функционала бесплатных программ может быть недостаточно.
- «Autodesk AutoCAD » — одна из наиболее известных систем автоматизированного проектирования (САПР), предназначенных для создания различных видов чертежей, схем, графиков. Позволяет создавать 2Д и 3Д чертежи на высокопрофессиональном уровне, обладает богатым функционалом, отлично справляется с рендерингом 3Д-объектов, умеет работать с 3Д-принтером. Поддерживается работа с чертежами в формате DVG, DWF, DXF;
- «Аскон Компас » — это целый комплекс программных решений для осуществления черчения и диаграмм, довольно популярных на территории РФ. Данные решения поддерживают множество форматов электронных чертежей, обладают большой базой присоединяемых библиотек, при этом довольно просты и удобны в работе;
- «nanoCAD » — бесплатная программа для начинающих, включающая необходимый набор базовых инструментов для осуществления проектирования и создания чертежей. Программа направления на создание преимущественно 2Д-чертежей, поддерживает работу с DWG и DXF чертежами, достоинством программы является быстрый вывод объектов, работы с DirectX и так далее.
Заключение
В данном материале мной были рассмотрены несколько популярных сервисов, позволяющих реализовать черчение онлайн. Все они обладают довольно разным функционалом, в целом уступая своим профессиональным стационарным конкурентам (к примеру, «Autodesk AutoCAD»). Если же вы только пробуете свои силы в черчении, то рекомендую воспользоваться как перечисленными мной онлайн-сервисами, так и упомянутой бесплатной программой «nanoCAD» — описанные инструменты прекрасно подойдут для получения базовых навыков при создании нужных вам чертежей.
В последние года за создание индивидуального дизайна жилища, интерьера все чаще люди берутся буквально своими руками. И если начинают они с аксессуаров и предметов декора, постепенный переход на изготовление более сложных вещей не заставляет себя ждать. Это могут быть предметы мебели для кухни, гостиной, прихожей, в детскую комнату.
Для этого нужно понять общий принцип процесса создания предметов интерьера. Основа основ – хороший эскиз. Если навыки рисования не идеальные, лучше посмотреть эскизы мебели в Интернете или специализированных журналах. Не обязательно повторять точь-в-точь, можно преобразить тот или иной предмет под свои запросы.

Рассмотреть проведение замеров можно на примере создания кухонного гарнитура своими руками.
У проведения замеров есть свои законы, ведь чертежи основываются именно на верно вымеренных параметрах:
- Если вы делаете кухонный гарнитур, или какую-то вещь для кухни, нужно знать длину стен.
- Затем измеряется высота стен помещения.
- Если за основу берутся стандартные размеры кухонных шкафов, они будут следующие: высота напольного шкафа – 85 см, глубина – около 50 см, ширина от 30 до 80 см.
- Навесные шкафы делаются либо по тем же параметрам, либо в уменьшенном варианте.
- Расстояние от навесного шкафа до напольного – 65 см.
Все цифры – лишь стандартный, усредненный размер, который можно менять под особенности кухни и рост хозяйки. Следующей момент – внесение размеров бытовой техники, которой заполняется кухня.
Теперь эти размеры нужно переносить на бумагу. Сегодня это можно не делать вручную, чертежи зачастую составляются в специальных графических программах.
Библиотека чертежей мебели (видео)
Правильный расчет размеров
Каждый предмет кухонного гарнитура рассчитывается отдельно. Все элементы детализируются, расписываются по составным частям. К примеру, тумба для кухни расписывается следующим образом :
- Задняя панель – размер;
- Боковые стенки – размер;
- Дверцы – размер;
- Полочки – размер.
Выдвижные ящики детализируются отдельно. Обозначаются места крепления фурнитуры. Все размеры указываются со строгой точностью, чтобы чертежи были без ошибок.

Мягкая мебель своими руками чертежи
Для создания мягкой мебели нудно не только создать чертеж своими руками, но и правильно выбрать материалы. А в перечень нужных материалов включаются:
- Доски,
- Бруски,
- Наполнитель,
- Обивочную ткань,
- Листы ДВП и ДСП,
- Бруски,
- Шпагат,
- Острый нож,
- Дрель,
- Шуруповерт,
- Степлер,
- Швейную машину,
- Нитки,
- Саморезы,
- Отвертки,
- Плоскогубцы,
- Клей,
- Стусло,
- Ключи в наборе,
- Ручную пилу.
Имея даже малые навыки создания простых конструкции и использования этих инструментов, можно разобраться и в более сложной технологии. Успешность предприятия будет зависеть именно от того, сколь качественными материалами вы пользуетесь.


Мягкая мебель требует наполнителя, синтепон подойдет для этой цели идеально. Хорошая альтернатива ему конский волос, но стоимость последнего серьезно превышает затраты на синтепон. Поролон также подойдет, единственное замечание – выбирайте поролоновые листы средней упругости.
Работа начинается с создания каркаса. Когда создаются отдельные элементы, и потребуются чертежи. На материал наносится разметка деталей, после чего выпиливаются заготовки.
Первая примерка покажет, совпадает ли конструкция и чертежи – детали должны состыковаться друг с другом. Если совпадения нет, корректировать детали нужно сразу же.
Кухонный уголок своими руками (видео)
Преимущества мебели, изготовленной своими руками
Для кухни ли, или для другой комнаты мастерятся предметы интерьеры, у таких конструкций есть несомненные преимущества :
- Высокое качество – так как вы сами выбираете материал, фурнитуру, контролируете все этапы процесса создания;
- Существенная экономия средств – закупка материалов, вот и все расходы;
- Создание единого интерьерного ансамбля – созданной своими руками мебелью проще сделать интерьер гармоничным;
- Приобретение опыта и моральное удовлетворение от проведенной работы.
К тому же нестандартные размеры помещения, углы и выступы требуют соответствующей мебели.


Специальные программы проектирования
Эти программы значительно упрощают процесс конструирования. Они помогают произвести правильный расчет размеров и не только. С помощью программ можно:
- Создать эскиз определенной вещи;
- Создать дизайн-проект , к примеру, гарнитура для кухни;
- Сузить выбор материалов до определенной категории;
- Подобрать варианты декора , отделки, фурнитуры;
- Построить 3 D модель будущей конструкции;
- Оптимально разместить детали на листе – точная раскройка листового материала;
- Управлять процессом резки материала.

Словом, можно компьютеризировать весь процесс, тем самым гарантированно избежать ошибок, и все, что сложно делать своими руками, выполнить на компьютере.
Создание проекта кухни при помощи KitchenDraw на компьютере (видео)
Заключение
Создание любых предметов интерьера – непростое дело, но вполне посильное и непрофессионалу. Точность замеров, чертежей, вооружение современными компьютерными программами проектирования упростят этот процесс и позволят создать действительно качественную, оригинальную вещь, которая долго прослужит хозяевам.



















